Email:sales11@hsdcmotor.com
日本語日本語

製品カテゴリ

最新の製品

Haoshengモーター

住所:
建物16、新素材工業団地、No.666ダイルオロード、ヤオグアンタウン、経済開発区、常州市

お電話ください:
TEL:+ 86-519-88375851、88370159
FAX:+ 86-519-88388605

Eメール:
info@haojiecn.com

loading

にシェア:
sharethis sharing button

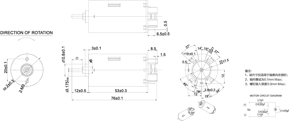
DCモータ RH-476SD

出力:約5.6W

モータ種類:DCモータ

代表的な応用:自動車製品、自動車トランク
可用性ステータス:
数量:
  • RH-476SD

  • HS MOTOR


外形図



DC-Motor_RH-476SD_Outline-drawing




折れ線グラフ



DC-Motor_RquxiantuRH (1)quxiantuRH


仕様

型式 電圧 無負荷 最高効率点 拘束
作業範囲 定格電圧 回転速度 電流 回転速度 電流 回転モーメント 電圧 回転モーメント 電流
V r/min A r/min A mN.m g.cm W mN.m g.cm A
RH-476VD-4233 9.0~15.0 12.00 6717.00 0.40 5979.0 2.85 42.8 428 26.81 348.1 3481 20.3
RH-476SD-4233 9.0~15.0 12.00 7790.00 0.42 6709.70 2.61 35 357 24.14 247.56 2475 16.20
RH-476SD-3547 9.0~15.0 12.00 5610.00 0.31 4739.72 1.71 29.9 299 14.84 192.64 1926.4 9.31

前: 
次: 
Contact us

関連ニュース

内容は空です!

HS MOTOR中国

HS-MOTOR CHANGZHOU
アドレス:建物16、新素材工業団地、No.666ダイルオロード、ヤオグアンタウン、経済開発区、常州市
販売:
陳華傑
携帯電話:+ 86 13656128299
                  + 86 18651230922(ウィチャッ                   ト番 号は同じです)
メールアドレス:sales2@hsdcmotor.com

黄潔
携帯電話:+86 13182532616
メールアドレス:sales1@hsdcmotor.com
 
苦情メール:hr6@hsdcmotor.com

HSのパートナー

HS-MOTOR Europe Sales Office
アドレス:Krummenackerstrasse 15 73733 Esslingen Germany
代表者: kexiu zhong
電話番号:+49 711 2620240
メールアドレス:sales49@hsdcmotor.com
HS-MOTOR
アドレス:日本542-0072 大阪府大阪市中央区 高津 1丁目9-1 0 インテリジエンスビル 807
代表者:李輝(Li Hui)
電話番号:+86 13957896360
Tel / Fax:06 4708,5573
メールアドレス:
osakalibin@hsdcmotor.com
osakalibin@yahoo.co.jp
著作権とコピー; 2018 Haosheng Motor Co.,Ltd    全著作権所有。テクニカルサポートYouxin  入り口を管理する