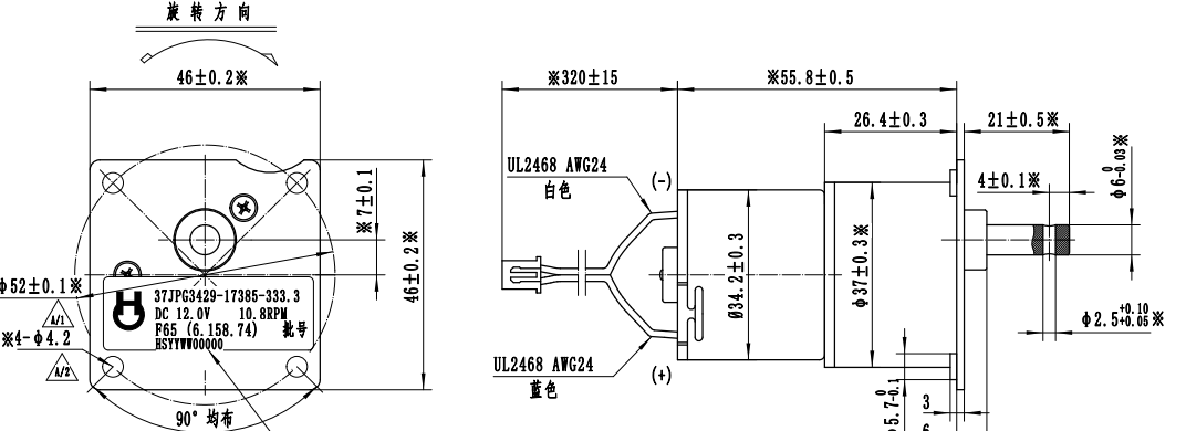
37JPG3429-17385-333.3
HS MOTOR

| 定格電圧 | 減速比 | 1/10 | 1/18.1 | 1/30 | 1/50 | 1/67 | 1/90 | 1/106 | 1/150 | 1/185 | 1/270 | 1/400 |
| 12V | 定格トルク(g.cm) | 0.63 | 1.03 | 1.71 | 2.56 | 3.43 | 4.61 | 4.88 | 6 | 6 | 6 | 6 |
| 定格回転速度(rpm) | 699 | 386 | 233 | 140 | 104 | 77.7 | 66 | 47 | 38.5 | 26.4 | 18.2 | |
| 24V | 定格トルク(g.cm) | 0.52 | 0.85 | 1.4 | 2.1 | 2.81 | 3.78 | 4.01 | 5.67 | 6 | 6 | 6 |
| 定格回転速度(rpm) | 456 | 251 | 152 | 91.1 | 68 | 50.6 | 43 | 30.4 | 25 | 17.3 | 12 |
| 型式 | RK-510SB-22170 | RK-510SB-12510 | ||
| 電圧 | 使用範囲 (V) | 6.0-15.0 | 12.0-30.0 | |
| 定格値(V) | 12.00 | 24.00 | ||
| 無負荷 | 回転速度 | r/min | 8343 | 5457 |
| 電流 | A | 0.127 | 0.032 | |
| 最高効率点 | 回転速度 | r/min | 6992 | 4556 |
| 電流 | A | 0.657 | 0.162 | |
| 回転モーメント | mN.m | 7.64 | 6.24 | |
| g.cm | 77.9 | 63.7 | ||
| 出力 | W | 5.13 | 2.5 | |
| 拘束 | 回転モーメント | mN.m | 47.15 | 37.82 |
| g.cm | 481.1 | 385.9 | ||
| 電流 | A | 3.399 | 0.819 | |

| 定格電圧 | 減速比 | 1/10 | 1/18.1 | 1/30 | 1/50 | 1/67 | 1/90 | 1/106 | 1/150 | 1/185 | 1/270 | 1/400 |
| 12V | 定格トルク(g.cm) | 0.63 | 1.03 | 1.71 | 2.56 | 3.43 | 4.61 | 4.88 | 6 | 6 | 6 | 6 |
| 定格回転速度(rpm) | 699 | 386 | 233 | 140 | 104 | 77.7 | 66 | 47 | 38.5 | 26.4 | 18.2 | |
| 24V | 定格トルク(g.cm) | 0.52 | 0.85 | 1.4 | 2.1 | 2.81 | 3.78 | 4.01 | 5.67 | 6 | 6 | 6 |
| 定格回転速度(rpm) | 456 | 251 | 152 | 91.1 | 68 | 50.6 | 43 | 30.4 | 25 | 17.3 | 12 |
| 型式 | RK-510SB-22170 | RK-510SB-12510 | ||
| 電圧 | 使用範囲 (V) | 6.0-15.0 | 12.0-30.0 | |
| 定格値(V) | 12.00 | 24.00 | ||
| 無負荷 | 回転速度 | r/min | 8343 | 5457 |
| 電流 | A | 0.127 | 0.032 | |
| 最高効率点 | 回転速度 | r/min | 6992 | 4556 |
| 電流 | A | 0.657 | 0.162 | |
| 回転モーメント | mN.m | 7.64 | 6.24 | |
| g.cm | 77.9 | 63.7 | ||
| 出力 | W | 5.13 | 2.5 | |
| 拘束 | 回転モーメント | mN.m | 47.15 | 37.82 |
| g.cm | 481.1 | 385.9 | ||
| 電流 | A | 3.399 | 0.819 | |
内容は空です!